
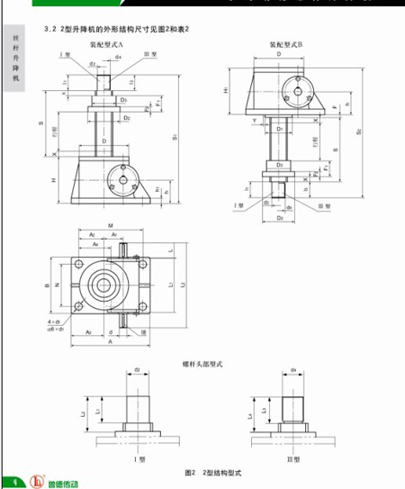
|
型號 |
SWL2.5 QWL2.5 |
SWL5 QWL5 |
SWL10/15 QWL10/15 |
SWL20 QWL20 |
SWL25 QWL25 |
SWL35 |
SWL50 |
SWL100 |
SWL120 |
||
|
S |
行(háng)程 +85 |
行程 +100 |
行程 +125 |
行程 +150 |
行程 +170 |
行程 +205 |
行程 +250 |
行程 +320 |
行程 +330 |
||
|
S1 |
行程 +215 |
行(háng)程(chéng) +270 |
行程 +335 |
行程 +404 |
行程 +476 |
行程(chéng) +535 |
行程 +603 |
行程 +815 |
行程 +845 |
||
|
S2 |
行程 +238 |
行程 +300 |
行程 +359 |
行程 +430 |
行程 +519 |
行程 +580 |
行程 +685 |
行程 +880 |
行程 +910 |
||
|
A |
165 |
212 |
235 |
295 |
350 |
430 |
475 |
526 |
526 |
||
|
B |
120 |
155 |
200 |
215 |
260 |
280 |
500 |
622 |
622 |
||
|
M |
135 |
168 |
190 |
240 |
280 |
360 |
385 |
412 |
412 |
||
|
N |
90 |
114 |
155 |
160 |
190 |
210 |
406 |
508 |
508 |
||
|
H |
100 |
131 |
160 |
190 |
226 |
250 |
290 |
375 |
375 |
||
|
H1 |
97 |
131 |
150 |
181 |
211 |
250 |
280 |
360 |
360 |
||
|
h |
45 |
61.5 |
70 |
87 |
102 |
115 |
121 |
155 |
155 |
||
|
h1 |
12 |
14 |
16 |
20 |
25 |
30 |
32 |
38 |
42 |
||
|
d ( k6 ) |
16 |
20 |
25 |
28 |
34/32 ★ |
38 |
38 |
45n6 |
48m6 |
||
|
d1 |
14 |
17 |
21 |
28 |
35 |
35 |
45 |
48 |
48 |
||
|
鍵 GB1096 |
5 × 5 × 32 |
6 × 6 × 45 |
8 × 7 × 45 |
8 × 7 × 45 |
10 × 8 × 50 |
10 × 8 × 70 |
10 × 8 × 90 |
14 × 9 × 90 |
14 × 9 × 90 |
||
|
L |
32 |
45 |
52 |
52 |
56 |
80 |
100 |
100 |
100 |
||
|
L1 |
110.5 |
132 |
172 |
213.5 |
221 |
265 |
314 |
380 |
380 |
||
|
L2 |
190 |
228 |
280 |
322 |
355 |
430 |
558 |
610 |
610 |
||
|
D |
98 |
122 |
150 |
185 |
205 |
260 |
300 |
420 |
420 |
||
|
D1 |
68 |
83 |
110 |
140 |
160 |
180 |
200 |
260 |
260 |
||
|
A1 |
45 |
56 |
67 |
72 |
97 |
120 |
135 |
190 |
190 |
||
|
A2 |
50 |
58 |
63.5 |
95 |
95 |
135 |
160 |
166 |
166 |
||
|
A3 |
65 |
80 |
86 |
122.5 |
130 |
170 |
205 |
223 |
223 |
||
|
A4 |
- |
- |
- |
- |
- |
- |
- |
206 |
206 |
||
|
F |
26 |
30 |
34 |
39 |
52 |
45 |
65 |
80 |
80 |
||
|
安全裕度 X |
20 |
20 |
25 |
25 |
25 |
30 |
40 |
50 |
50 |
||
|
Y |
3 |
3 |
1 |
3 |
3 |
4 |
5 |
6 |
6 |
||
|
活動螺母 |
D2 D3(h9) F1 F2 |
80 50 45 15 |
87 70 60 18 |
110 90 75 25 |
120 90 100 30 |
155 130 120 35 |
190 150 145 35 |
220 180 170 50 |
300 240 220 70 |
330 260 270 80 |
|
|
螺杆(gǎn)頭部 |
Ⅰ |
d2(k6) l1 |
20 30 |
25 40 |
40 50 |
50 60 |
70 80 |
80 80 |
95 108 |
130 127 |
150 130 |
|
Ⅲ |
d4 l3 |
M22 × 1.5-6g 30 |
M30 × 2-6g 39 |
M42 × 2-6g 50 |
M48 × 2-6g 60 |
M70 × 3-6g 63 |
M80 × 3-6g 80 |
M95 × 3-6g 90 |
M130 × 4-6g 120 |
M150 × 4-6g 140 |
|