1型結構型式的螺杆頭部分為I型(圓柱型)II型(法蘭型(xíng))III型(螺紋型)IV型(xíng)(扁頭型);
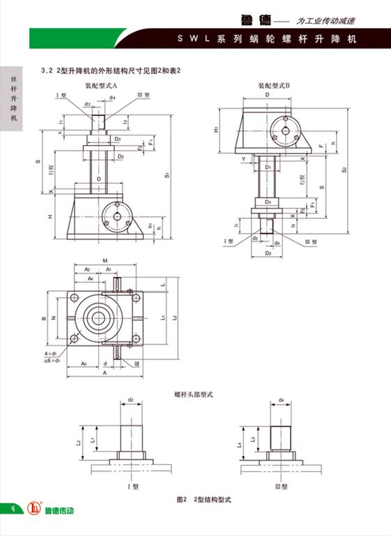
2型結構型式(shì)的螺杆頭部分為I型(圓(yuán)柱型)和(hé)III型(螺紋型)。1型結構型式(shì)升降機的防護有基(jī)本型、防(fáng)旋轉型和帶防(fáng)護罩型;2型結構型式升降機(jī)防護有基(jī)本(běn)型和帶防護罩兩種。
以上為SWL絲杆升降機的基本選型參數,希望對您在選型時有所幫助。更多
絲杆升降機選型(xíng)問題歡迎谘詢我公(gōng)司技術人員。