F係列減速電機(jī)
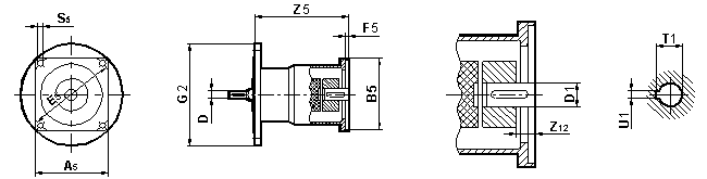
產品附(fù)件-伺服電(diàn)機接盤
AQH
減速機 型號 |
接盤型號(hào) |
A5 |
B5 |
D |
E5 |
F5 |
G2 |
S5 |
Z5 |
Z121) |
Z122) |
D1 |
L1 |
T11) |
U11) |
F..27 F..37 F..47 |
AQ..80/1 |
82 |
60 |
10 12 |
75 |
3 |
120 |
M5 |
104.5 |
5.5 |
5.5 |
11 |
23 |
12.8 |
4 |
AQ..80/2 |
82 |
60 |
75 |
3 |
120 |
M5 |
104.5 |
5.5 |
5.5 |
14 |
30 |
16.3 |
5 |
||
AQ..80/3 |
82 |
50 |
95 |
3 |
120 |
M6 |
104.5 |
5.5 |
5.5 |
14 |
30 |
16.3 |
5 |
||
AQ..100/1 |
100 |
80 |
10 12 14 16 |
100 |
4 |
120 |
M6 |
129.5 |
- |
- |
14 |
30 |
16.3 |
5 |
|
AQ..100/2 |
100 |
95 |
115 |
4 |
120 |
M8 |
129.5 |
- |
- |
14 |
30 |
16.3 |
5 |
||
AQ..100/3 |
100 |
80 |
100 |
4 |
120 |
M6 |
143.5 |
7 |
14 |
19 |
40 |
21.8 |
6 |
||
AQ..100/4 |
100 |
95 |
115 |
4 |
120 |
M8 |
143.5 |
7 |
14 |
19 |
40 |
21.8 |
6 |
||
AQ..115/1 |
115 |
95 |
130 |
4 |
120 |
M8 |
152.5 |
16 |
23 |
19 |
40 |
21.8 |
6 |
||
AQ..115/2 |
115 |
110 |
130 |
4 |
120 |
M8 |
152.5 |
16 |
23 |
19 |
40 |
21.8 |
6 |
||
AQ..115/3 |
115 |
110 |
130 |
4 |
120 |
M8 |
152.5 |
21 |
16 |
24 |
50 |
27.3 |
8 |
||
F..57 F..67
|
AQ..80/1 |
82 |
60 |
10 12 |
75 |
3 |
160 |
M5 |
98 |
5.5 |
5.5 |
11 |
23 |
12.8 |
4 |
AQ..80/2 |
82 |
60 |
75 |
3 |
160 |
M5 |
98 |
5.5 |
5.5 |
14 |
30 |
16.3 |
5 |
||
AQ..80/3 |
82 |
50 |
95 |
3 |
160 |
M6 |
98 |
5.5 |
5.5 |
14 |
30 |
16.3 |
5 |
||
AQ..100/1 |
100 |
80 |
10 12 14 16 |
100 |
4 |
160 |
M6 |
122.5 |
- |
- |
14 |
30 |
16.3 |
5 |
|
AQ..100/2 |
100 |
95 |
115 |
4 |
160 |
M8 |
122.5 |
- |
- |
14 |
30 |
16.3 |
5 |
||
AQ..100/3 |
100 |
80 |
100 |
4 |
160 |
M6 |
136.5 |
7 |
14 |
19 |
40 |
21.8 |
6 |
||
AQ..100/4 |
100 |
95 |
115 |
4 |
160 |
M8 |
136.5 |
7 |
14 |
19 |
40 |
21.8 |
6 |
||
AQ..115/1 |
115 |
95 |
130 |
4 |
160 |
M8 |
145.5 |
16 |
23 |
19 |
40 |
21.8 |
6 |
||
AQ..115/2 |
115 |
110 |
130 |
4 |
160 |
M8 |
145.5 |
16 |
23 |
19 |
40 |
21.8 |
6 |
||
AQ..115/3 |
115 |
110 |
130 |
4 |
160 |
M8 |
145.5 |
21 |
16 |
24 |
50 |
27.3 |
8 |
||
AQ..140/1 |
140 |
110 |
16 |
165 |
5 |
160 |
M10 |
175 |
21 |
16 |
24 |
50 |
27.3 |
8 |
|
AQ..140/2 |
140 |
130 |
18 |
165 |
5 |
160 |
M10 |
175 |
21 |
16 |
24 |
50 |
27.3 |
8 |
|
AQ..140/3 |
140 |
130 |
22 |
165 |
5 |
160 |
M10 |
188 |
24 |
22 |
32 |
60 |
35.3 |
10 |
減(jiǎn)速機 型號 |
接盤型號 |
A5 |
B5 |
D |
E5 |
F5 |
G2 |
S5 |
Z5 |
Z121) |
Z122) |
D1 |
L1 |
T11) |
U11) |
F..77 |
AQ..80/1 |
82 |
60 |
10 12 |
75 |
3 |
200 |
M5 |
92 |
5.5 |
5.5 |
11 |
23 |
12.8 |
4 |
AQ..80/2 |
82 |
60 |
75 |
3 |
200 |
M5 |
92 |
5.5 |
5.5 |
14 |
30 |
16.3 |
5 |
||
AQ..80/3 |
82 |
50 |
95 |
3 |
200 |
M6 |
92 |
5.5 |
5.5 |
14 |
30 |
16.3 |
5 |
||
AQ..100/1 |
100 |
80 |
10 12 14 16 |
100 |
4 |
200 |
M6 |
115.5 |
- |
- |
14 |
30 |
16.3 |
5 |
|
AQ..100/2 |
100 |
95 |
115 |
4 |
200 |
M8 |
115.5 |
- |
- |
14 |
30 |
16.3 |
5 |
||
AQ..100/3 |
100 |
80 |
100 |
4 |
200 |
M6 |
129.5 |
7 |
14 |
19 |
40 |
21.8 |
6 |
||
AQ..100/4 |
100 |
95 |
115 |
4 |
200 |
M8 |
129.5 |
7 |
14 |
19 |
40 |
21.8 |
6 |
||
AQ..115/1 |
115 |
95 |
130 |
4 |
200 |
M8 |
138.5 |
16 |
23 |
19 |
40 |
21.8 |
6 |
||
AQ..115/2 |
115 |
110 |
130 |
4 |
200 |
M8 |
138.5 |
16 |
23 |
19 |
40 |
21.8 |
6 |
||
AQ..115/3 |
115 |
110 |
130 |
4 |
200 |
M8 |
138.5 |
21 |
16 |
24 |
50 |
27.3 |
8 |
||
AQ..140/1 |
140 |
110 |
16 |
165 |
5 |
200 |
M10 |
167 |
21 |
16 |
24 |
50 |
27.3 |
8 |
|
AQ..140/2 |
140 |
130 |
18 |
165 |
5 |
200 |
M10 |
167 |
21 |
16 |
24 |
50 |
27.3 |
8 |
|
AQ..140/3 |
140 |
130 |
22 |
165 |
5 |
200 |
M10 |
180 |
24 |
22 |
32 |
60 |
35.3 |
10 |
|
AQ..190/1 |
190 |
130 |
22 28 |
215 |
5 |
200 |
M12 |
225.5 |
26 |
24 |
32 |
60 |
35.3 |
10 |
|
AQ..190/2 |
190 |
180 |
215 |
5 |
200 |
M12 |
225.5 |
26 |
24 |
32 |
60 |
35.3 |
10 |
||
AQ..190/3 |
190 |
180 |
215 |
5 |
200 |
M12 |
249.5 |
39 |
34 |
38 |
80 |
41.3 |
10 |
||
F..87 |
AQ..100/1 |
100 |
80 |
10 12 14 16 |
100 |
4 |
250 |
M6 |
110.5 |
- |
- |
14 |
30 |
16.3 |
5 |
AQ..100/2 |
100 |
95 |
115 |
4 |
250 |
M8 |
110.5 |
- |
- |
14 |
30 |
16.3 |
5 |
||
AQ..100/3 |
100 |
80 |
100 |
4 |
250 |
M6 |
124.5 |
7 |
14 |
19 |
40 |
21.8 |
6 |
||
AQ..100/4 |
100 |
95 |
115 |
4 |
250 |
M8 |
124.5 |
7 |
14 |
19 |
40 |
21.8 |
6 |
||
AQ..115/1 |
115 |
95 |
130 |
4 |
250 |
M8 |
133.5 |
16 |
23 |
19 |
40 |
21.8 |
6 |
||
AQ..115/2 |
115 |
110 |
130 |
4 |
250 |
M8 |
133.5 |
16 |
23 |
19 |
40 |
21.8 |
6 |
||
AQ..115/3 |
115 |
110 |
130 |
4 |
250 |
M8 |
133.5 |
21 |
16 |
24 |
50 |
27.3 |
8 |
||
AQ..140/1 |
140 |
110 |
16 |
165 |
5 |
250 |
M10 |
162 |
21 |
16 |
24 |
50 |
27.3 |
8 |
|
AQ..140/2 |
140 |
130 |
18 |
165 |
5 |
250 |
M10 |
162 |
21 |
16 |
24 |
50 |
27.3 |
8 |
|
AQ..140/3 |
140 |
130 |
22 |
165 |
5 |
250 |
M10 |
175 |
24 |
22 |
32 |
60 |
35.3 |
10 |
|
AQ..190/1 |
190 |
130 |
22 28 |
215 |
5 |
250 |
M12 |
220.5 |
26 |
24 |
32 |
60 |
35.3 |
10 |
|
AQ..190/2 |
190 |
180 |
215 |
5 |
250 |
M12 |
220.5 |
26 |
24 |
32 |
60 |
35.3 |
10 |
||
AQ..190/3 |
190 |
180 |
215 |
5 |
250 |
M12 |
244.5 |
39 |
34 |
38 |
80 |
41.3 |
10 |
減速機 型號 |
接盤型號 |
A5 |
B5 |
D |
E5 |
F5 |
G2 |
S5 |
Z5 |
Z121) |
Z122) |
D1 |
L1 |
T11) |
U11) |
F..97 |
AQ..140/1 |
140 |
110 |
16 |
165 |
5 |
300 |
M10 |
157 |
21 |
16 |
24 |
50 |
27.3 |
8 |
AQ..140/2 |
140 |
130 |
18 |
165 |
5 |
300 |
M10 |
157 |
21 |
16 |
24 |
50 |
27.3 |
8 |
|
AQ..140/3 |
140 |
130 |
22 |
165 |
5 |
300 |
M10 |
170 |
24 |
22 |
32 |
60 |
35.3 |
10 |
|
AQ..190/1 |
190 |
130 |
22 28 |
215 |
5 |
300 |
M12 |
215.5 |
26 |
24 |
32 |
60 |
35.3 |
10 |
|
AQ..190/2 |
190 |
180 |
215 |
5 |
300 |
M12 |
215.5 |
26 |
24 |
32 |
60 |
35.3 |
10 |
||
AQ..190/3 |
190 |
180 |
215 |
5 |
300 |
M12 |
239.5 |
39 |
34 |
38 |
80 |
41.3 |
10 |
||
F..107 |
AQ..140/1 |
140 |
110 |
16 |
165 |
5 |
350 |
M10 |
151 |
21 |
16 |
24 |
50 |
27.3 |
8 |
AQ..140/2 |
140 |
130 |
18 |
165 |
5 |
350 |
M10 |
151 |
21 |
16 |
24 |
50 |
27.3 |
8 |
|
AQ..140/3 |
140 |
130 |
22 |
165 |
5 |
350 |
M10 |
164 |
24 |
22 |
32 |
60 |
35.3 |
10 |
|
AQ..190/1 |
190 |
130 |
22 28 |
215 |
5 |
350 |
M12 |
209.5 |
26 |
24 |
32 |
60 |
35.3 |
10 |
|
AQ..190/2 |
190 |
180 |
215 |
5 |
350 |
M12 |
209.5 |
26 |
24 |
32 |
60 |
35.3 |
10 |
||
AQ..190/3 |
190 |
180 |
215 |
5 |
350 |
M12 |
233.5 |
39 |
34 |
38 |
80 |
41.3 |
10 |
||
F..127 |
AQ..190/1 |
190 |
130 |
22 28 |
215 |
5 |
450 |
M12 |
194.5 |
26 |
24 |
32 |
60 |
35.3 |
10 |
AQ..190/2 |
190 |
180 |
215 |
5 |
450 |
M12 |
194.5 |
26 |
24 |
32 |
60 |
35.3 |
10 |
||
AQ..190/3 |
190 |
180 |
215 |
5 |
450 |
M12 |
218.5 |
39 |
34 |
38 |
80 |
41.3 |
10 |