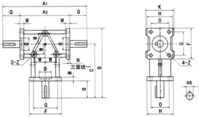
ARA 係列(liè)螺旋錐齒輪轉向箱/換向器 外形尺寸
外形尺寸:
型號 |
A 1 |
A 2 |
B |
C |
D(H7) |
F |
G |
H |
K |
M |
N |
O |
W |
Z |
φSh7 |
Q |
平鍵 |
ARA1 |
184 |
108 |
155.5 |
120.5 |
φ35 |
70 |
54 |
56 |
60 |
8 |
5 |
40 |
24 |
φ6.8 |
φ15 |
38 |
5×5 |
ARA2 |
252 |
152 |
226 |
177 |
φ42 |
98 |
76 |
72 |
76 |
12 |
5 |
54 |
38 |
φ9 |
φ20 |
50 |
6×6 |
ARA4 |
280 |
160 |
265 |
210 |
φ62 |
110 |
80 |
110 |
110 |
10.5 |
5 |
80 |
40 |
φ10.8 |
φ24 |
60 |
8×7 |
ARA 係列重量表:
型號 |
ARA1 |
ARA2 |
ARA4 |
M(KG) |
1.5 |
3.3 |
5.3 |
ARA 係列傳動能力表:
i |
n 1 r/min |
ARA1 |
ARA2 |
ARA4 |
|||
T N2(N·m) |
P N1(KW) |
T N2(N·m) |
P N1(KW) |
T N2(N·m) |
P N1(KW) |
||
1 : 1 |
1450 |
7.15 |
1.11 |
12.25 |
1.92 |
31.9 |
4.94 |
1150 |
7.15 |
0.88 |
14.01 |
1.73 |
34.1 |
4.19 |
|
870 |
7.15 |
0.66 |
15.78 |
1.47 |
37.2 |
3.46 |
|
580 |
7.15 |
0.44 |
17.74 |
1.10 |
39.5 |
2.45 |
|
400 |
7.15 |
0.30 |
17.74 |
0.76 |
40.2 |
1.72 |
|
300 |
7.15 |
0.23 |
17.74 |
0.57 |
40.5 |
1.30 |
|
200 |
7.15 |
0.15 |
17.74 |
0.38 |
41.2 |
0.88 |
|
150 |
7.15 |
0.11 |
17.74 |
0.28 |
41.8 |
0.67 |
|
100 |
7.15 |
0.08 |
17.74 |
0.19 |
41.9 |
0.448 |
|
50 |
7.15 |
0.04 |
17.74 |
0.095 |
43.2 |
0.231 |
|
2 : 1 |
1450 |
6.95 |
0.55 |
11.96 |
0.94 |
42.8 |
3.32 |
1150 |
6.95 |
0.43 |
11.96 |
0.74 |
43.4 |
2.67 |
|
870 |
6.95 |
0.33 |
11.96 |
0.56 |
43.8 |
2.04 |
|
580 |
6.95 |
0.22 |
11.96 |
0.37 |
44.4 |
1.38 |
|
400 |
6.95 |
0.15 |
11.96 |
0.26 |
45.1 |
0.964 |
|
300 |
6.95 |
0.11 |
11.96 |
0.19 |
45.5 |
0.729 |
|
200 |
6.95 |
0.075 |
11.96 |
0.13 |
46.1 |
0.492 |
|
150 |
6.95 |
0.056 |
11.96 |
0.10 |
46.4 |
0.372 |
|
100 |
6.95 |
0.038 |
11.96 |
0.064 |
46.6 |
0.249 |
|
50 |
6.95 |
0.018 |
11.96 |
0.032 |
46.8 |
0.125 |